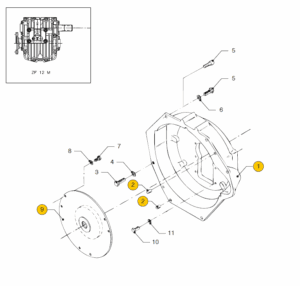
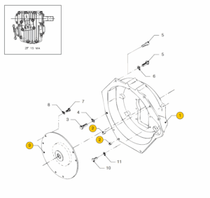
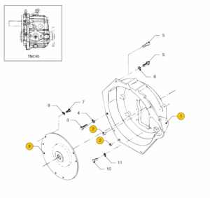
Transmission

Filter