Vetus F-Line
Vetus F-Line – Originale reservedele og reservedelstegninger
Find og bestil originale reservedele til din Vetus motor – hurtigt og nemt. Her finder du en komplet oversigt over dele til Vetus F-Line motorer, inklusive modeller som F1.01 & F1.03
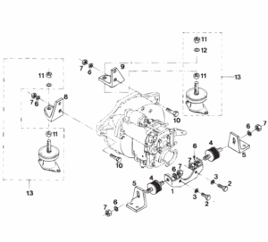
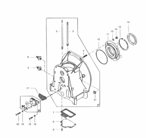
Brug vores visuelle reservedelsfinder med reservedelstegninger og splittegninger, så du nemt kan identificere den korrekte reservedel.
Originale Vetus reservedele
Splittegninger og reservedelstegninger til F-Line
Hurtig bestilling og levering
Uanset om du skal bruge en impeller, en pakning eller en komplet renoveringssæt, har vi delene – og tegningerne – der matcher din motor præcist.
