Pumps Vetus M2.05

100% Jysk Webshop

2 års reklamationsret

LEVERINGSTID: 3-8 dage

Pumps Vetus M2.05

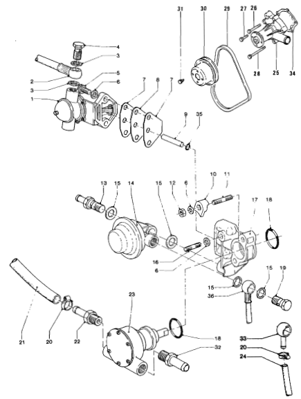
pos.AntalReservedelsnummerPris
11STM7055Mechanical fuel lift pump M2.05/M3.10/M4.14/P4 M2.05/M3.10/M4.14/P41.574,00 kr.
21STM3691Fuel hose M2.05
34STM7056Copper Washer M1219,00 kr.
42STM8057Banjo bolt56,00 kr.
52STM1610Bolt M8X25 DIN933 ---> B08255YT19,00 kr.
65STM1019Washer DIN 137 staal mechanisch verzinkt vorm B VEERR-DIN137-B-(MZN)-D8,4 ---> R085Y12,00 kr.
72STM8055Gasket63,00 kr.
81STM8056Plate
91STM7025Pin
102STM7058Clamp plate38,00 kr.
112STM3692Stud M8 x 4511,00 kr.
123STM2005Nut M812,00 kr.
131STM3508Banjo bolt sump pump39,00 kr.
141STM3693Sump pump mini165,00 kr.
154STM1062Copper Washer M1412,00 kr.
161STM3733Stud m8x30 M8X30 DIN93811,00 kr.
171STM3475Flange fuel p m2.05203,00 kr.
182STM3519O-ring 32x 1,5 NBR7014,00 kr.
191STM3518Banjo bolt m1434,00 kr.
202STM7063Hose clamp 15-24
211STM3524Hose 3383 L= 220mm
221STM3736Hose pillar 3/8"-015
231STM3476Pump M2.05
241STM3694Hose 3377 l=220 mm19,00 kr.
251STM3670Waterpump m2.05 circ.2.324,00 kr.
263STM3673Bolt M6 x 6511,00 kr.
271STM3672Bolt M6x3011,00 kr.
281STM3674Bolt M6x8011,00 kr.
291STM3669V-belt alternator M2.05 size 9,5x710mm154,00 kr.
301STM3667Pulley waterpump m2174,00 kr.
314STM3668Bolt m6 x 1211,00 kr.
321STM7061Hose pillar92,00 kr.
331STM3695Banjo eye 14-1039,00 kr.
341STM3671Gasket waterpump M2.0534,00 kr.
351STM7054O-ring15,00 kr.
361STM3740Hose complete
LEVERINGSTID: 3-8 dage

Nyd at varen sendes direkte til din hoveddør.