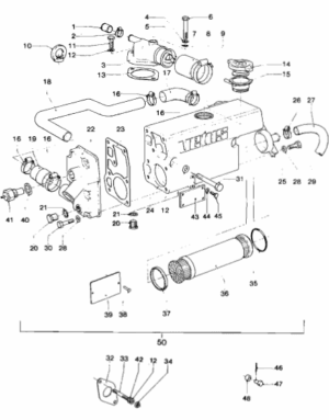
Air intake Vetus M2.05
| pos. | Antal | Reservedelsnummer | Pris | ||
|---|---|---|---|---|---|
| 1 | 2 | STM3572 | Bolt cylinder head M2.05 | ||
| 2 | 2 | STM3571 | Washer | 15,00 kr. | |
| 3 | 1 | STM3505 | Clamping plate air int. | 15,00 kr. | |
| 4 | 1 | STM3473 | Flange air intake | ||
| 5 | 2 | STM7063 | Hose clamp 15-24 | ||
| 6 | 1 | STM3689 | Hose 3377 l=200 mm | 24,00 kr. | |
| 8 | 1 | STM3472 | Air intake silencer | ||
| 9 | 2 | STM1653 | Washer | 13,00 kr. | |
| 10 | 2 | STM1019 | Washer DIN 137 staal mechanisch verzinkt vorm B VEERR-DIN137-B-(MZN)-D8,4 ---> R085Y | 12,00 kr. | |
| 11 | 2 | STM3355 | Bolt M8X20 DIN933 | 15,00 kr. | |
| 12 | 1 | STM3514 | Sticker M2.05 | ||
| 13 | 1 | STM3502 | Engine support exhaust M2.05 | ||
| 14 | 1 | STM3503 | Engine support SM M2.05 | ||
| 15 | 4 | STM3705 | Bolt MlOxl,25x25 | ||
| 16 | 4 | STM4014 | Washer | 15,00 kr. | |
| 17 | 1 | STM3737 | Gasket inlet M2.05 |

