Heat exchanger – Exh. manifold Vetus M4.14

Mangler du en reservedel fra Vetus? Vi kan skaffe et stort udvalg!
Da ikke alle dele er oprettet i webshoppen endnu, skal du blot sende en forespørgsel – klik pÃ¥ “forespørgsel” og fortæl os, hvad du mangler. Vi vender hurtigt tilbage med pris, leveringstid og bestillingsmuligheder.

100% Jysk Webshop

2 års reklamationsret

LEVERINGSTID: 3-8 dage

Heat exchanger – Exh. manifold Vetus M4.14

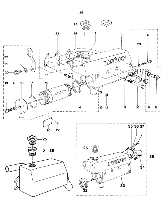
pos.AntalReservedelsnummerPris
11STM9507Filling cap ‘do not open’
21STM1515Filling neck complete M36
31STM3040Heat exhaust housing M4.14
41STM1007Washer 11.5 mm x 8 mm15,00 kr.
51STM3044Bolt ss m 4.1419,00 kr.
61STM1062Copper Washer M1412,00 kr.
71STM1059Plug m14x1.5 DIN 910 brass29,00 kr.
81STM2006Raw water thermo contact 75 deg c m18x1.5 1-pole189,00 kr.
91STM2019Copper washer 24x18x219,00 kr.
104STM1055Bolt
114STM1019Washer DIN 137 staal mechanisch verzinkt vorm B VEERR-DIN137-B-(MZN)-D8,4 ---> R085Y12,00 kr.
124STM2005Nut M812,00 kr.
134STM1056Washer
141STM1060Rubber seal145,00 kr.
154STM2003Stud13,00 kr.
161STM3041Tube stack M4.14
171STM1005O-ring for tube stack M3.10/M4.14 from 04-88 Afm: 61.6x2.6239,00 kr.
181STM1053Cover630,00 kr.
191STM1057Bolt
201STM7010Allen screw SS DIN91219,00 kr.
211STM1056Washer
221STM1058Lift.eye15,00 kr.
231STM3043Exhaust gasket m4.14154,00 kr.
241STM1027Tubing i.d. 8mm l= 400mm47,00 kr.
251STM1017Fillercap M3/M4 0.5 bar184,00 kr.
261STM1054Type plate
274STM1061Nail
281STM3042Heat exhaust housing M4.14 cpl
291STM2018Copper Washer M1015,00 kr.
301STM3035Plug68,00 kr.
311STM3353Washer >>>see stm201912,00 kr.
322STM4043Plug 1.5" bsp165,00 kr.
331STM4044M4-'89 Manifold
341STM4045Exhaust flange 1 1/" bsp222,00 kr.
351STM3046Gasket exhaust injection bend M3.10/M4.1448,00 kr.
364STM1056Washer
374STM1610Bolt M8X25 DIN933 ---> B08255YT19,00 kr.
381STM4048M4-'89 Manifold
391STM3819Manifold
LEVERINGSTID: 3-8 dage

Nyd at varen sendes direkte til din hoveddør.