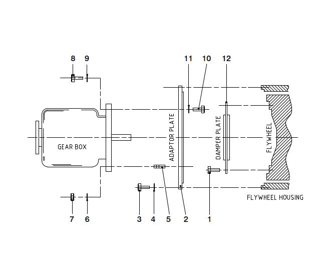
Mounting parts gearbox Vetus VD4.120 VD4.140 VD6.170 VD6.210
| pos. | Antal | Reservedelsnummer | Pris | ||
|---|---|---|---|---|---|
| 1 | 8 | STM9003 | Bolt M10x25, ZF68IV | ||
| 1 | 8 | STM8216 | Bzk bolt 912 gv m10x16 | 11,00 kr. | |
| 2 | 1 | CT50021 | Flange for coupling type hsw 710 a | 3.971,00 kr. | |
| 2 | 1 | CT50026 | Adaptorplate, PRM500-PRM750 ( PRM302-PRM402 ) - ZF220 | ||
| 3 | 8 | STM9003 | Bolt M10x25, ZF68IV | ||
| 3 | 8 | STM9003 | Bolt M10x25, PRM500-PRM750 ( PRM302-PRM402 ) - ZF220 | ||
| 4 | 8 | STM4014 | Washer | 15,00 kr. | |
| 4 | 8 | STM4014 | Washer | 15,00 kr. | |
| 5 | 6 | 18-15868 | Stud VD | 15,00 kr. | |
| 6 | 6 | STM4003 | Washer | 19,00 kr. | |
| 7 | 6 | M12RIPPB | Nut M12, ZF68IV | ||
| 8 | 5 | STM7077 | Bolt M12x30, PRM500-PRM750 ( PRM302-PRM402 ) - ZF220 | ||
| 9 | 5 | STM4056 | Wave spring washer M12, PRM500-PRM750 ( PRM302-PRM402 ) - ZF220 | ||
| 12 | 1 | STM8272 | Demperplate dt43 t/m dt67 (hsw) 1kt2110012 | 4.600,00 kr. | |
| 12 | 1 | STM8777 | Damperplate centa (alternative CT50027) PRM500 drop-center / down angle PRM750 drop-center / down angle , PRM500-PRM750 ( PRM302-PRM402 ) - ZF220 |

