Fix strømforsyning CVS1420BS – Stabil 14V forsyning på landstrøm
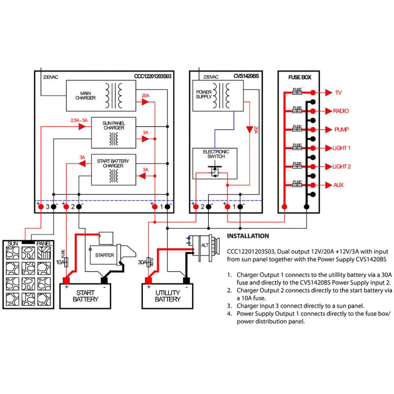
Fix strømforsyning CVS1420BS er udviklet til bådejere, der ønsker stabil strømforsyning ved landstrøm – uden at belaste batterierne unødigt. Den leverer op til 14V / 20A (280W) direkte til forbrugerne, mens batteriladeren samtidigt kan levere yderligere 20A til opladning.
Resultatet er op til 2 x 20A til rådighed, så både forbrug og opladning håndteres effektivt og stabilt.
Undgå afladning ved højt forbrug
Hvis TV, køleskab, lamper og pumper er tændt samtidigt, kan en almindelig 20A batterilader have svært ved at dække både forbrug og opladning.
Ved installation af Fix strømforsyningen:
Overtager strømforsyningen forbruget (op til 20A)
Batteriladeren kan koncentrere sig om opladning
Systemet leverer samlet op til 40A
Det giver hurtigere opladning og mere stabil drift ved ophold i havn.
Indbygget elektronisk switch – Beskytter batteriet
Den indbyggede elektroniske switch sikrer, at forbruget automatisk flyttes korrekt ved tilslutning og afbrydelse af landstrøm.
Scenarie:
BÃ¥den ankommer i havn
Landstrøm tilsluttes
TV, computer og køleskab tændes
Forbruget overstiger 20A
Switchen sikrer, at forbruget ikke tappes fra brugsbatteriet, når landstrøm er tilsluttet.
Når landstrøm afbrydes, omkobler systemet automatisk forbruget til brugsbatteriet.
Robust og bygget til maritimt miljø
Fix strømforsyning CVS1420BS er:
IP65 vandtæt
Klasse II dobbeltisoleret
Lydløs uden blæser
Overstrøms- og kortslutningsbeskyttet
Den tåler kortvarige overbelastninger på over 100A, eksempelvis ved start af køleskab.
Designet til Fix system – men universel kompatibilitet
Strømforsyningen er udviklet til optimal samdrift med Fix batterilader, men kan uden problemer anvendes sammen med andre 12V batteriladere.
FORDELE
14V / 20A (280W) stabil forsyning
Aflaster batterilader ved højt forbrug
Op til 2 x 20A samlet kapacitet
Indbygget elektronisk switch
Beskytter mod utilsigtet batteriafladning
Automatisk omkobling ved landstrøm
IP65 vandtæt
Lydløs uden blæser
Overstrøms- og kortslutningsbeskyttet
TÃ¥ler >100A kortvarig belastning
SPECIFIKATIONER
Model: CVS1420BS
Udgangsspænding: 14V DC
Maks. strøm: 20A
Effekt: 280W
Kortvarig overbelastning: >100A
Kapslingsklasse: IP65
Isolationsklasse: Klasse II
Køling: Passiv (uden blæser)
Elektronisk switch: Ja
Anvendelse: 12V marine installationer



